狮子会游戏

热金属检测器
PBH1型热金属检测
温度规模:低温型:300-1400℃;高温型:500-1400℃
丈量精度:0-8米,圆形区域
响应时间:继电器20ms;PNP信号2ms
轧钢生产线,棒材生产线,钢坯生产线
返回列表 咨询该产品
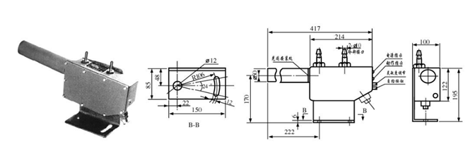
产品形貌 使用资助


        外壳形式带冷却
        事情电源DC24V、AC220V ±10%额定电压值
        事情温度-25℃~+70℃;接通水冷时-25℃~+120℃
        检测温度通俗型:550℃~1400℃;低温型:300℃~1400℃
        检测距离0.2m~8m
        信号指示灯接通电源指示:绿色LED亮;有信号事情指示:红色LED亮
输出  形   式   接点( Z )接点容量:AC250V  5A  , DC30V  5A
电平24V高电平 ( C )有信号,对地高电平24V, 负载电流100mA ( 推挽输出 )
低电平 ( D )有信号,对地低电平0V , 负载电流100mA ( 推挽输出 )
二线制无极性输出 ( F )一组或两组 ?藕
        自检由外部开关控制,可实现虚拟检测输出信号功效
        视场角度装置距离1m时,视场规模为Φ170mm
        毗连件标准毗连件为一根
        功耗≤5w
        绝缘电阻DC500V , ≥20MΩ 
        响应时间接点 <20ms ; 电平与电极点<2ms
        迅速度顺时针旋转,由低到高
        ;直流输入极性;,电平输出短路及过载;
        操作角度方位角±12°,俯仰角±17°
        激光瞄准由自检开关控制,可以抵达辅助装置的功效
狮子会 - 打造绿色游戏娱乐
狮子会 - 打造绿色游戏娱乐 首页 狮子会 - 打造绿色游戏娱乐产品中心 狮子会 - 打造绿色游戏娱乐解决计划 狮子会 - 打造绿色游戏娱乐联系狮子会游戏
【网站地图】【sitemap】